隔離刀閘位置指示器
斷路器器位置指示器
接地位置指示器
|
名稱 |
型號 |
顏色 |
燈電壓 |
| 隔離刀閘位置指示器 |
AD60-22W/G (圓形) AD60-22WF/G (方形) |
X0X1 通電時
X0X2 通電時 |
AC DC24V
AC DC36V
AC DC48V
AC DC110V
AC DC127V
AC DC220V
AC 220
AC 380 |
| 斷路器器位置指示器 |
AD60-22W/D (圓形) AD60-22WF/D (方形) |
X0X1 通電時
X0X2 通電時
|
|
| 接地位置指示器 |
AD60-22W/N (圓形) AD60-22WF/N (方形) |
X1X2 通電時
|
|
產品圖片 |
描述 |
觸電模式 |
型號 |
顏色 |
外形尺寸 |
|
|
斷路器位置指示燈 |
|
|||
|
接地位置指示燈 |
|||||
|
隔離刀閘位置指示燈 |
|||||
指示燈的優點和特點:
安裝直徑16/22mm
防護等級:IP40/IP65
工作壽命:≥30,000小時
使用頻率(AC):50-60Hz
光高度≥100cd/m
發光顏色:紅、綠、黃、橙、白、藍
發光體采用純色超高亮LED芯片
可配置指示燈字符內容
零部件采用進口材料,堅固耐用,耐磨損
內置螺釘式接線,更安全、方便
型號命名方式解釋
|
|
|||||
|
信號燈型號 |
頸部尺寸 |
A, B, C, D, E 表示不同外觀風格 |
無字母為標準型, “S”表示超短型殼體, “F”表示可裝于電容器 柜的放電燈 |
顏色 |
外形尺寸 |
性能特征
連續工作壽命:≥30000小時
允許瞬時電壓波動±20%(110V以上)
工頻耐壓:205KV(交流有效值),1min
使用頻率(AC):50-60Hz
額定工作電流:≤20mA
光高度≥100cd/m2
相比漏電起痕指數CT1≥100,阻燃
絕緣電阻:ui≤60v為5MΩ,60≤ui≤660v為500MΩ
發光顏色:紅、綠、黃、白、藍
|
電流類型 |
AC/DC |
AC |
|
電壓 |
6V 12V 24V 36V 48V 110V 127V 220V 380V |
127V 220V 380V |
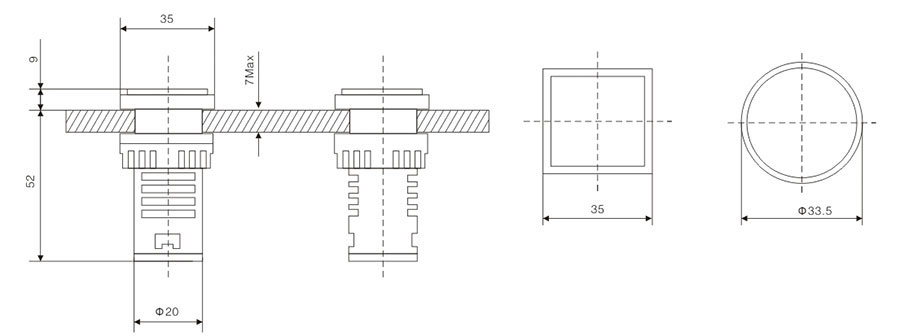
外形尺寸圖

說明:如作手車式位置指示使用時,X0X1通用時
發紅光;X0X2通用時
發紅光,請在型號“D”后面加C。
即sample:AD-22W/DC;AD16-22WF/DC。
隔離刀閘/斷路器位置指示器不允許接線錯誤(如X1、X2鏈接)

中文
English

發綠光
發紅光
發綠光
發紅光






